金屬轉子流量計是工業自動化過程控制中常用的一種變面積流量測量儀表。它具有體積小,金屬轉子流量計測范圍大,使用方便等特點。它可用來測量液體,氣體以及蒸汽的流量。特別適宜低流速小流量的介質流量測量。分顯示型和智能遠傳型,支持多種輸出協議,為用戶提供了非常廣闊的選擇空間;另外該儀表采用**的16位微處理器及高質量工業化組件,保證了流量計在各種應用場所的優良性能。多年來,金屬管浮子流量計的各種優良性能和可靠性,以及較好的性能價格比,**受到了石化,鋼鐵,冶金輕工,食品,制藥,水處理等行業的青睞。
工作原理:
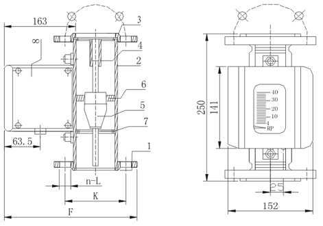
浮子流量計的構造是在一根截面積自下而上逐漸擴大的垂直錐形金屬管1內,裝有一個能夠旋轉自如的由金屬或其它材質制成的轉子2(或稱浮子)。被測流體從金屬管底部進入,從頂部流出。
當流體自下而上流過垂直錐形管時,轉子受到兩個力的作用:一是垂直向上的推動力,它等于流體流經轉了與錐形管間的環形截面所產生的壓力差;另一是垂直向下的凈重力,它等于轉子所受重力減去流體對轉子的浮力。當流量加大使壓力差大于轉子凈重力時,轉子就上升。當壓力差與轉子的凈重力相等時,轉子處于平衡狀態,即停留在一定位置上。在金屬管外表面上刻有讀數,根據轉子的停留位置,即可讀出被測流體的流量。
轉子流量計是變截面定壓差流量計。作用在浮子上下游的壓力差為定值,而浮子與錐管間環形截面積隨流量而變。浮子在錐形管中的位置高低即反映流量的大小。
| 金屬轉子流量計技術參數 | |
![]() |
(1)基本
測量范圍:水(20℃) 2.5-150000L/h
空氣(20℃,0.1013MPa)0.07-4000Nm3/h
量程比:10:1
精度:1.5/2.5
工作壓力:≤6.4MPa
工作溫度:-40 ~ 350℃(氟塑料襯里-10 ~ 80℃)
環境溫度:-20 ~ 80℃
介質粘度:DN15≤5mPa.S
DN25 ~ DN150≤250mPa.S
管體材質:1Cr18Ni9Ti,316L,內襯PTEF等
過程連接:法蘭,或按用戶提供
蒸汽佳套頭:法蘭,DN15/PN1.6,或按用戶提供
(2)遠傳裝置
①XT5W1-1角位移變送器
基本誤差:1.5%F.S
輸出信號:4 ~ 20mA
負載阻抗:350Ω
電源電壓:24VDC
環境溫度:-30 ~ 80℃
出線口:M20 × 1.5
防爆標志:ExibIICT4
②XTE-HD變送器
電源影響:<0.1%(不含數字分辨率[70μA)
負載影響:<0.1%(不含數字分辨率[70μA)
電流損耗:4 ~ 21.6mA,相對于測量值的0%
負載阻抗:0 ~ 800
工作電壓:12.8 ~ 30VCD
二線制Rext[KΩ]=(供電電源[V]-12.7)/22mA
輸出信號:4 ~ 20mA
環境溫度:-25 ~ 80℃
出線口:M20 × 1.5
防爆標志:ExibIICT6
金屬轉子流量計功能特點:
◆ 適用于小口徑和低流速介質流量測量 ◆ 工作可靠,維護量小,壽命長
◆ 對于直管段要求不高 ◆ 較寬的量程比10:1
◆ 雙行液晶顯示,現場瞬時/累積流量顯示 ◆ 指示器上有鍵盤,操作設置方便
◆ 全金屬結構,適用高溫、高壓和強腐蝕性介質 ◆ 非接觸磁耦合傳動
◆ 可用于易燃、易爆危險場合 ◆ 可選直流電源或電池供電方式
◆ 帶有數據恢復,數據備份及掉電保護功能 ◆ 多參數標定功能
| 金屬轉子流量計連接方式 | |
![]() | |
| 金屬轉子流量計結構圖 | |
![]() | ![]() |
磁過濾器:
如果介質中含有鐵磁性顆粒,應在流量計入口前安裝磁過濾器。
指示器選擇:
用戶可根據現場實際需求,選擇就地顯示型、電遠傳型、本安防爆型、隔爆型或附帶HART協議型,各種指示器的詳細功能說明見下表。
指示器類型 | 指示器功能說明 |
M1型 | 就地指針指示流量,無電源,無4~20mA遠傳,可選裝流量報警裝置,刻度盤可選瞬時流量值或百分比刻度值 |
M3型 | 就地數字顯示,電池供電,無4~20mA遠傳,非防爆。LCD顯示瞬時和積累流量,現場按鍵查看修改有關參數。電池可使用6個月,當顯示屏出現T字符時,應更換電池(電池型號ER26500,3.6V,7.5AH,-55℃~85℃)。 |
M4型 | 電遠傳,本質安全設計,防爆標志ExdⅡCT6,可選HART協議功能。DC24V供電,現場指針指示瞬時流量和數字顯示瞬時和積累流量,二線制4~20mA輸出,面板設有4個按鍵,可查看和修改內部參數。詳細使用見第18頁 |
M5型 | 電遠傳,隔爆型設計,防爆標志ExdⅡCT6,可選HART協議功能。DC24V供電,現場指針指示瞬時流量和數字顯示瞬時和積累流量,二線制4~20mA輸出,面板設有4個按鍵,可查看和修改內部參數。 |
技術規格:
| ||||||||||||||||||||||||||||||||||||||||||||||||||||||||||||||||||||||||||||||||||||||||||||||||||||||||||||||||||||||||||||||
金屬轉子流量計選型:
| 代號 | 測量管結構 | |||||||
| XT-LZ50 | 下 進上出 | |||||||
| XT-LZ51 | 下 進上橫出 | |||||||
| XT-LZ52 | 下 橫進上橫出 | |||||||
| XT-LZ53R | 右 進左出 | |||||||
| XT-LZ53L | 左 進右出 | |||||||
| 代號 | 接 液材質 | |||||||
| R0 | 0Cr18Ni2Mo2Ti | |||||||
| R1 | 1Cr18Ni9Ti | |||||||
| R2 | 316L | |||||||
| RP | PTFE | |||||||
| T1 | 鈦 合金 | |||||||
| 代號 | 管 道口徑 | |||||||
| DN15 | 15 | |||||||
| DN25 | 25 | |||||||
| DN50 | 50 | |||||||
| DN80 | 80 | |||||||
| DN100 | 100 | |||||||
| DN150 | 150 | |||||||
| DN200 | 200 | |||||||
| 代號 | 附 加結構 | |||||||
| 無 | ||||||||
| T | 夾 套型 | |||||||
| Z | 阻 尼型 | |||||||
| G | 高 溫型 | |||||||
| Y | 高 壓型 | |||||||
| 代號 | 指 示器形式代碼組合 | |||||||
| M1 | 就 地指示器,機械指示瞬時流量 | |||||||
| M2 | 供 電型,機械指示瞬時流量,液晶顯示瞬時/累積流量 | |||||||
| M3 | 供 電型,無機械指示,液晶顯示瞬時/累積流量 | |||||||
| 代碼 | 供 電方式 | |||||||
| 無 | 只 限M1指示器 | |||||||
| A | 220VAC,4-20mA輸出 | |||||||
| B | 電 池供電,無輸出 | |||||||
| C | 24VDC,二線制供電,4-20mA輸出 | |||||||
| D | 24VDC,三、四線制供電,4-20mA輸出 | |||||||
| 代號 | 防 爆標志 | |||||||
| l | 本 安iaCT5方型殼體 | |||||||
| d | 隔 爆Diibt4園殼體 | |||||||
| 代號 | 報警或脈沖輸出 | |||||||
| 無 | 無報警或脈沖輸 出 | |||||||
| K1 | 上限報警或一路 脈沖輸出 | |||||||
| K2 | 下限報警或一路 脈沖輸出 | |||||||
| K3 | 上、下限報警或 雙路脈沖輸出 | |||||||
| 電氣接線圖 | |
![]() |









